公司产品
深圳市高士达精密机械有限公司
手机:159-9953-8817
电话:0755-29673755/3955
邮箱:2251952937@qq.com
传真:0755-29673856
地址:深圳市宝安区观兰镇君子布村君新路(142号)胜顺产业园B栋
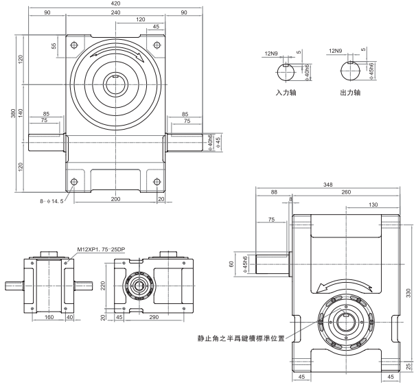
心轴型分割器-140DS分割器
心轴型分割器-140DS分割器

深圳140DS分割器供应商哪家好?推荐心轴型分割器厂家高士达是一家集研发,生产,服务为一体的kaiyun开云官方在线入口及精密机械凸轮的制造企业,以执着的专业精神秉持产品品质优良的经营理念与您共创美好未来!
心轴型(25Ds,32Ds,45Ds,60Ds,70Ds,80Ds,110Ds,140Ds)
此系列机种为典型传统式心轴造型,其安装配件之加工安装配合齿轮、联轴器或联轴盘,需特别注重 孔径公差(+0.015/-0)、及链槽公差(+0.015/-0),其使用场合在输送带驱动、齿轮驱动、无间隙联 轴器结合驱动居多。
技术参数
| 项目 | 符号 | 单位 | 数值 |
| 出力轴容许径向负荷 | C1 | kgf | 730 |
| 出力轴容许轴向负荷 | C2 | kgf | 860 |
| 出力轴容许力矩 | Ts | kgf-m | 参考力矩表 |
| 入力轴容许径向负荷 | C3 | kgf | 440 |
| 入力轴最大弯曲力矩 | C4 | kgf | 560 |
| 入力轴最大扭矩 | C5 | kgf-m | 75 |
| 入力轴的GD2(注1) | C6 | kgf-m2 | 0.11 |
| 定位分割精度 | sec | ±30 | |
| 重量 | kg | 120 |
注:入力轴的GD2的数值。
注:C1至C5数值是达到安全系数=2时的数值。

上一条: 45DFS-OUT口罩机分割器
下一条: 心轴型分割器-110DS分割器













