公司产品
深圳市高士达精密机械有限公司
手机:159-9953-8817
电话:0755-29673755/3955
邮箱:2251952937@qq.com
传真:0755-29673856
地址:深圳市宝安区观兰镇君子布村君新路(142号)胜顺产业园B栋
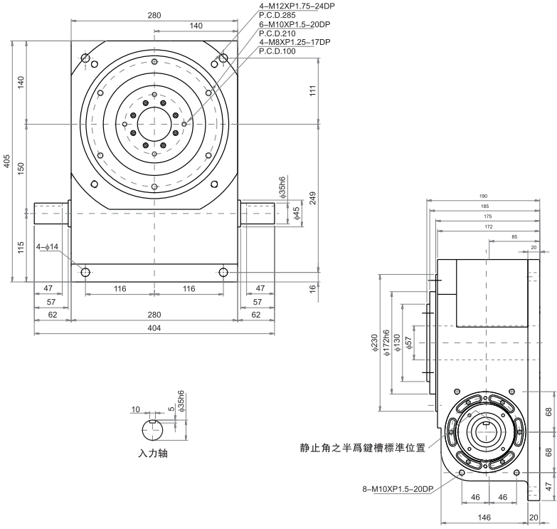
150DA分割器
150DA分割器

深圳分割器选型厂家高士达为你介绍150DA分割器一系列参数:比方说,输出轴容许轴向载荷、输出轴容许轴向载荷、输出轴的容许扭距、输出轴的扭距刚度、输出轴的惯性矩、输出轴的容许弯曲扭距、输出轴容许轴向载荷、输出轴最大重复弯曲力、输出轴最大重复容许扭距、输出轴的抗扭刚度、输出轴的惯性矩、1DWLL分度精度、2DWLL分度精度、重复精度、本机重量、箱体涂装色、齿轮减速电机涂装色等,除此之外,深圳市高士达精密机械有限公司是一家集研发,生产,服务为一体的kaiyun开云官方在线入口及精密机械凸轮的制造企业。
技术参数
| 项目 | 符号 | 单位 | 数值 |
| 输出轴容许轴向载荷 | P1 | N | 11000 |
| 输出轴容许轴向载荷 | P2 | N | 6800 |
| 输出轴的容许扭距 | Ts | N.m | 参考扭距功能表 |
| 输出轴的扭距刚度 | K1 | N.m/rad | 2.37x105 |
| 输出轴的惯性矩 | Jo | kgf-m2 | 0.62 |
| 输出轴的容许弯曲扭距 | P3 | N.m | 333.2 |
| 输出轴容许轴向载荷 | P4 | N | 4000 |
| 输出轴最大重复弯曲力 | P5 | N | 4000 |
| 输出轴最大重复容许扭距 | P6 | N.m | 392 |
| 输出轴的抗扭刚度 | K2 | N.m/rad | 6.64x104 |
| 输出轴的惯性矩 | Jc | kgf-m2 | 0.020 |
| 1DWLL分度精度 | sec | ±30 | |
| 2DWLL分度精度 | sec | ±60 | |
| 重复精度 | sec | 30 | |
| 本机重量 | kg | 84 | |
| 箱体涂装色 | 土黄色 | ||
| 齿轮减速电机涂装色 | 请参考出厂实际情况 | ||
注:输出轴的惯性矩为停止时的值














